
目前除中國外,設備已向菲律賓、澳大利亞、新西蘭、馬來西亞、新加坡、印度尼西亞、智利、墨西哥、哥斯達黎加、巴西、阿根廷、
哥倫比亞、南非、尼日利亞、沙特阿拉伯、迪拜、西班牙、意大利等國家出口了各種型號的冷水機組,制冷量從50噸、
60噸、85噸、100噸、120噸、180噸、200噸到550噸不等。
設備相關參數

支持定制,請與我們聯系
設備細節實拍: 
設備強力優勢
1.全系列風冷冷水機組的制冷量為2.7KW至168KW,水溫控制范圍為7℃至30℃,水溫穩定性為+/-0.1℃至+/-2℃。
2.設計和制造的風冷式冷水機組有3或4個制冷劑回路,適用于從MG-30C(D)到MG-60C(F)的空氣冷卻器型號,出于冷水機組
安全和節能的考慮,每個電路都可以獨立工作或停止。
3.風冷冷水機組由渦旋壓縮機、風冷冷凝器、內置水泵和水箱組成,構成完整的壓縮制冷和水冷系統。
4.對于渦旋壓縮機品牌,邁格貝特使用美國的科普蘭、法國的丹佛斯和日本的松下。所有渦旋式壓縮機均
具有出色的冷卻能力,具有壓縮機內部保護和節能功能。
5.對于標準風冷冷水機組蒸發器,我們采用帶盤管的304#不銹鋼水箱,但也可提供不銹鋼板式換熱器和閉環管殼式換熱器。
6.它是一種高效耐用的風冷式冷凝器,采用鋁制翅片銅管和大風量冷卻風扇。
設備品牌配件

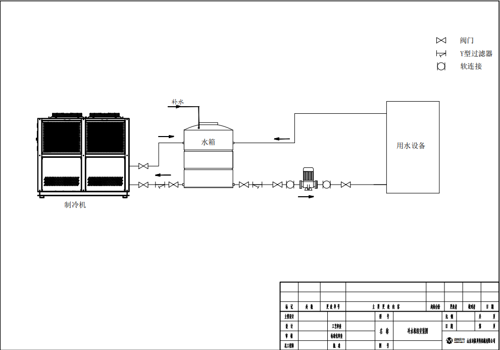
設備安裝原理圖

設備適用行業:


